Stieber Built In Freewheels AA
Roller-type built in freewheel with no intergrated bearings.
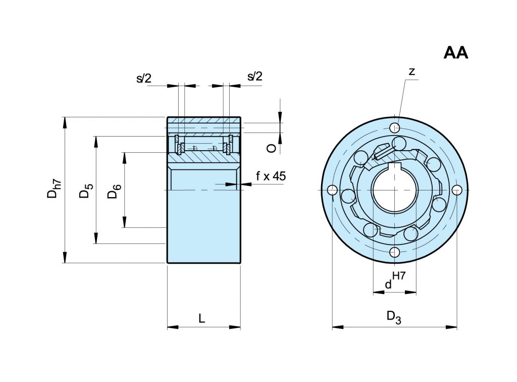
Type AA is a roller-type built in freewheel without integrated bearings. The design requires external bearing support for both radial and axial loads, while lubrication and sealing must be provided by the host assembly. Standard lubrication is oil, and typical installation arrangements are defined in the technical documentation provided by Stieber.
The freewheel’s inner race is keyed to the shaft, and the outer race must be centred to H7 tolerance. Connection of the outer race is achieved using through bolts (grade 10.9 or higher), and the design allows axial misalignment between the inner and outer races of ± S/2.
Type AA built-in freewheels are commonly used in power transmission systems where controlled overrunning behaviour is required and bearing arrangements are defined as part of the machine assembly.

| dH7 | Dh7 | D5 | D6 | D3 | Z | O | L | f | s | Weight (kg) | Drag torque (Ncm) |
|---|---|---|---|---|---|---|---|---|---|---|---|
| 12 | 47 | 28 | 20 | 38 | 3 | 5.5 | 20 | 0.5 | 4.5 | 0.21 | 0.7 |
| 15 | 55 | 37 | 26 | 45 | 3 | 5.5 | 30 | 0.8 | 4.5 | 0.44 | 3.5 |
| 20 | 68 | 50 | 35 | 58 | 4 | 5.5 | 34 | 0.8 | 5.5 | 0.7 | 8.4 |
| 25 | 90 | 68 | 45 | 78 | 6 | 5.5 | 37 | 1 | 6.5 | 1.3 | 14 |
| 30 | 100 | 75 | 50 | 87 | 6 | 6.6 | 44 | 1 | 6.5 | 2.0 | 23 |
| 35 | 110 | 80 | 55 | 96 | 6 | 6.6 | 48 | 1 | 6.5 | 2.6 | 60 |
| 40 | 125 | 90 | 60 | 108 | 6 | 9 | 56 | 1.5 | 7.6 | 3.9 | 72 |
| 45 | 130 | 95 | 65 | 112 | 8 | 9 | 56 | 1.5 | 7.6 | 4.0 | 140 |
| 50 | 150 | 110 | 75 | 132 | 8 | 9 | 63 | 1.5 | 7.6 | 6.0 | 180 |
| 55 | 160 | 115 | 82 | 138 | 8 | 11 | 67 | 2 | 7.6 | 7.2 | 190 |
| 60 | 170 | 125 | 90 | 150 | 10 | 11 | 78 | 2 | 7.6 | 9.2 | 240 |
| 70 | 190 | 140 | 100 | 165 | 10 | 11 | 95 | 2.5 | 7.6 | 11.8 | 320 |
| 80 | 210 | 160 | 115 | 185 | 10 | 11 | 100 | 2.5 | 7.6 | 15.6 | 330 |
| 90 | 230 | 180 | 130 | 206 | 10 | 14 | 115 | 3 | 7.6 | 24.7 | 650 |
| 100 | 270 | 210 | 150 | 240 | 10 | 18 | 120 | 3 | 7.6 | 35.8 | 830 |
| 120 | 310 | 240 | 180 | 278 | 12 | 18 | 140 | 4 | 9.6 | 54.3 | 1080 |
| 150 | 400 | 310 | 230 | 360 | 12 | 22 | 180 | 4 | 9.6 | 116 | 1240 |
| 200 | 520 | 400 | 260 | 460 | 18 | 26 | 240 | 5 | 10.6 | 267 | 3800 |
| 250 | 610 | 480 | 320 | 545 | 20 | 33 | 300 | 5 | 10.6 | 461 | 6100 |
Resources
